



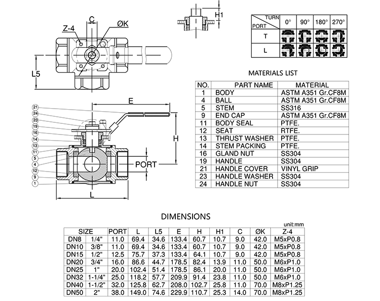
BVRB-3T 3 Way Ball Valve
SPECIFICATIONS
*
Working Pressure: 1/4”~2”1000PSI WOG
*
Temperature Range: -20~150℃(PTFE)
* Blow-Out-Proof Stem Design
* Antistatic Device
* Investment Casting
* Solution Treatment
*
End Types: Female Threaded
* Four Seats
*
Locking Device (option)
* Reduced Bore

|